論文字數:1851,頁數:11
數控編程與CAM課程設計
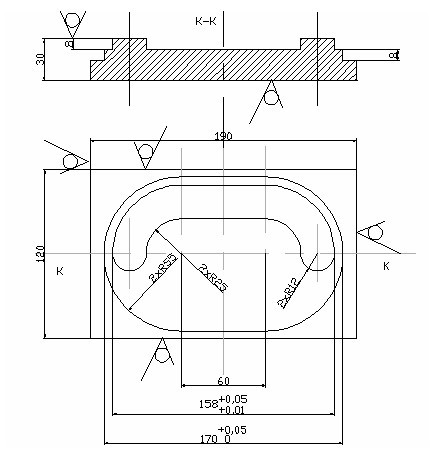
數控銑加工工藝設計及其數控加工與仿真 一、課題任務: 根據如下零件圖,設計其數控加工工藝、編制數控加工程序,并在仿真軟件上完成該零件的加工,寫出必要的仿真加工步驟。
本站部分文章來自網絡,如發現侵犯了您的權益,請聯系指出,本站及時確認刪除 E-mail:349991040@qq.com
論文格式網(m.donglienglish.cn--論文格式網拼音首字母組合)提供機械設計畢業論文格式,論文格式范文,畢業論文范文